Konsole für verdeckte Verbindungen, Aluminium, 115x80x2000 mm - Eurotec T-Profil
Konsole für verdeckte Fugen, Aluminium, 115x80x2000 mm - Eurotec T-Profil
Anwendung:
Ohne Vorbohren mit selbstschneidendem Stift Eurote EST
Bohrung für Holzschrauben 5,0 x 50 mm zur Verbindung mit Holzbalken
Bohrung für Betonschrauben Ø 7,5 für die Verbindung zwischen Holz und Beton
Geeignet für die Gebrauchsklassen 1 und 2 nach DIN EN 1995
Beschreibung:
Das T-Profil von Eurotec ist ein verdeckter Holzverbinder aus Aluminium für den Innen- und Außenbereich. Die Geometrie eignet sich für rechtwinklige und abgewinkelte Verbindungen von Einzelbalken in den Anwendungsbereichen Holz/Holz und Holz/Beton.
Die Lieferung erfolgt in einer kombinierten Länge von 2 m - so kann das T-Profil vor Ort auf die gewünschten Längen zugeschnitten werden. Erhebliche Einsparung und Optimierung von unsichtbaren Holzverbindungen. Geeignet für KVH, BSH (Brettschichtholz), CLT, aber auch für Konstruktionsholz.
Verpackung: 1 Stück, Länge 2000 mm
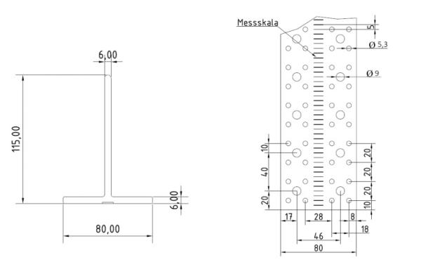
Abmessungen:
Dicke: 6 mm
Breite: 80 mm
Höhe: 115 mm






